Open Access Library Journal
Vol.05 No.07(2018), Article ID:86177,6 pages
10.4236/oalib.1104737
Design of a High Frequency Driving Circuit of Surface Acoustic Wave Transducer
Guan Zhao
Automotive Engineering College, Shanghai University of Engineering Science, Shanghai, China

Copyright © 2018 by author and Open Access Library Inc.
This work is licensed under the Creative Commons Attribution International License (CC BY 4.0).
http://creativecommons.org/licenses/by/4.0/



Received: June 24, 2018; Accepted: July 22, 2018; Published: July 25, 2018
ABSTRACT
In this paper, a high frequency driving circuit of surface acoustic wave transducer has been designed to separate oil from oil/water mixed droplet. The transmission frequency of the surface acoustic wave transducer driving circuit can be up to 1 MHz. The transmit frequency of conventional ultrasonic driving circuit is mostly 40 kHz. However, the high transmit frequency driving circuit presents a good stability and accuracy. By establishing the surface acoustic wave driving circuit model, the actual circuit and debugging verification, the driving circuit can excite the frequency signal required for the experiment. Thus, the surface acoustic wave driving circuit could provide necessary technical support for application in other fields.
Subject Areas:
Applied Physics, Electric Engineering
Keywords:
Surface Acoustic Wave, Driving Circuit, High Frequency, Transducer

1. Introduction
With the development of industry and the advancement of science and technology, ultrasonic technology has been widely developed and used. Ultrasonic technology has long been gradually integrated into people’s daily lives to become an inseparable part. Ultrasonic technology has been applied in various fields, which is usually divided into two major categories of ultrasonic testing and power ultrasound [1] . For example, hospitals use B-ultrasound to diagnose diseases [2] , which is simple, convenient, high diagnostic accuracy. Above all, it can prevent patients from suffering unnecessary pain. M Yamamoto et al. [3] used ultrasonic technology to design a sewage flow measurement system and successfully achieved accurate measurement of sewage flow. Zhang et al. [4] successfully designed a car anti-collision system using ultrasonic wireless transmission and ultrasonic ranging technology. J Tsujino [5] studied the latest technology of ultrasonic welding, and Qiu et al. [6] conducted numerical simulation and analysis of ultrasonic traveling wave driving droplet motion on the glass surface.
However, for practical applications in these fields of ultrasonic technology, the driving frequency of the drive circuit is mostly 40 kHz, and it is rare for the high frequency of 1 MHz for the transmission frequency. Therefore, in order to improve the accuracy, stability, and reliability of related ultrasound experiments. In this paper, a surface acoustic wave transducer driving circuit with a transmission frequency of up to 1 MHz is designed. Through appropriate debugging, this circuit can stimulate the waveforms required for the experiment and achieve the functions required to separate oil from an oil/water mixed droplet.
2. Theory of Surface Acoustic Wave Driving Circuit
In recent years, surface acoustic wave (SAW) technologies have received significant attention to be applied in various fields. And the (SAWs) have been used to drive and manipulate microfluidic flow, such as Rayleigh [7] [8] and Lamb waves [9] [10] . Some researchers have applied the SAW technologies to make SAW transducers, which the device can convert electrical energy into sound energy and convert sound energy into electrical energy. And these technical characteristics are usually applied in microfluidics community, such as acoustic microreactors [11] , and microseparattors [12] .
On the basis of the several potential applications of droplet propulsion and emulsion separation by using the ultrasonic waves, the SAW driving circuit could be applied to separate two immiscible liquids. In this study, the surface acoustic wave driving circuit has functions of operate at high frequency, good install, low cost, and high efficiency. Flow chart of the SAW driving circuit design shows in Figure 1.
3. Driving Circuit Design
There are some conventional ultrasonic driving circuits that are used in various fields [13] (shown in Figures 2-5). However, one of the biggest drawbacks of these driving circuits is that the frequencies are all 40 kHz, which is not sufficient for the unique field and experiment requirements.
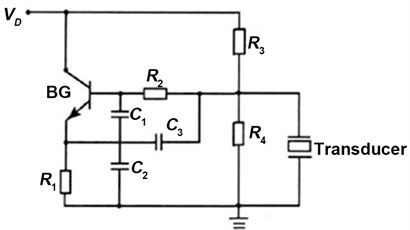
In this design, the function of driving circuit is to amplify the input voltage through corresponding electronic components and generate SAW with a specific power, a specific pulse width, and a regular frequency to excite the transducer. And the driving circuit can obtain the requirements for experiment. The schematic of SAW driving circuit as shown in Figure 6.
Figure 1. Flow chart of the SAW driving circuit design.
Figure 2. Self-excited driving circuit.
Figure 3. SCR drive circuit.
Figure 4. Dedicated integration of driving circuit.
The schematic of SAW driving circuit is to input DC voltage, which output interface attained 1 MHz attenuation sine wave pulse. Thus, function of this driving circuit can be seen as an inverter circuit, which can convert DC power supply into AC pulse with a frequency of 1 MHz. The switching diode (1SS360) is applied to control the function of inverter circuit. The voltage stabilizing circuit consists of zener diode (IN4007) and rectifier diode (1N4003). There are some field effect transistors has been applied in this driving circuit to be
Figure 5. Ultrasound transducer driving circuit composed of 55.
Figure 6. Schematic of SAW driving circuit.
integrated easily. And the integration circuit is used to replace triodes, resistances, and diodes that are needed in this designed. Thus, driving circuit of SAW is high-precision integration.
The important feature of the SAW driving circuit is different from traditional circuit, which the frequency can up to 1 MHz. It can present good stability, and high accuracy to be applied to separate oil from an oil/water mixed droplet. In this experiment, water droplet and oil droplet are mixed to produce an oil/water mixed droplet as Figure 7(a). The oil/water mixed droplet will be promoted under the effect of the SAW streaming forces as Figure 7(b). With the time goes on, the oil/water mixed droplet will get critical separation position as Figure 7(c). At last, the oil droplet will be separated from an oil/water mixed drop as Figure 7(d). The experiment phenomenon of oil/water mixed droplet separation process can be seen in Figure 7. And the output interface can be attain 1 MHz attenuation sine wave pulse of SAW driving circuit as shown in Figure 8.
4. Conclusion
In this design, the SAW driving circuit output interface attains 1 MHz attenuation sine wave pulse. It presents a good stability, and high accuracy by testing. And the SAW driving circuit that is designed can separate oil from oil/water mixed droplet. It could provide a good approach to separate oil/water droplet. The SAW driving circuit could be applied to other ultrasonic technology field of
Figure 7. Separation process of oil/water mixed droplet.
Figure 8. Attenuation sine wave pulse of SAW driving circuit.
higher precision requirements in the future. And the SAW driving circuit could be used to separate two kinds of immiscible liquids.
Cite this paper
Zhao, G. (2018) Design of a High Frequency Driving Circuit of Surface Acoustic Wave Transducer. Open Access Library Journal, 5: e4737. https://doi.org/10.4236/oalib.1104737
References
- 1. Kinoshita, M.M. (2001) Ultrasonic Testing Improves Power Plant Efficiency. Turbomachinery International, 5, 39-40.
- 2. Su, L.Y., Sun, C.K. and Zhang, Z. (2013) Comparative Study of the B-Ultrasound and Molybdenum X-Ray in the Diagnosis of Breast Disease. Journal of Bengbu Medical College, 38, 1471-1472.
- 3. Yamamoto. M., Tamura, K., Yanagisita, S. and Inagaki, S. (2009) An Ultrasonic Flow Measurement System for Sewage and Waste Water. Transactions of the Society of Instrument & Control Engineers, 14, 564-571. https://doi.org/10.9746/sicetr1965.14.564
- 4. Zhong, Y. and Yu, H. (2016) Design of Car Reversing Anti-Collision Warning Device Based on Ultrasonic Ranging Principle. Electronic Design Engineering, 24, 158-161.
- 5. Tsujino, J. (1995) Recent Developments of Ultrasonic Welding. Ultrasonics Symposium, 2, 1051-1060. https://doi.org/10.1109/ULTSYM.1995.495743
- 6. Qiu, H.C. and Jiang, L.B. (2017) Numerical Simulation of Droplet Motion on Glass Surface Driven by Ultrasonic Travelling Wave. Journal of Beijing University of Aeronautics & Astronautics, 43, 908-917.
- 7. Kang, K., Lim, H., Lee, H. and Lee, S. (2013) Evaporation-Induced Saline Rayleigh Convection inside a Colloidal Droplet. Physics of Fluids, 25, Article ID: 042001. https://doi.org/10.1063/1.4797497
- 8. Agostini, M., Grecoa, G. and Cecchini, M. (2018) A Rayleigh Surface Acoustic Wave (R-SAW) Resonator Biosensor Based on Positive and Negative Reflectors with Sub-Nanomolar Limit of Detection. Sensors and Actuators B: Chemical, 254, 1-7. https://doi.org/10.1016/j.snb.2017.07.014
- 9. Schmitt, M., Stich, S., Fromm, S., Fischer, F. and Lindner, G. (2010) Detection and Removal of Droplets on Non-Piezoelectric Substrates via Mode Conversion of Lamb Waves. British Journal for the Philosophy of Science, 143, 304-308. https://doi.org/10.1109/ICSENS.2010.5689878
- 10. Savva, N. and Kalliadasis, S. (2013) Droplet Motion on Inclined Heterogeneous Substrates. Journal of Fluid Mechanics, 725, 462-491. https://doi.org/10.1017/jfm.2013.201
- 11. Dong, Z., Yao, C. and Zhang, Y. (2016) Hydrodynamics and Mass Transfer of Oscillating Gas-Liquid Flow in Ultrasonic Microreactors. AIChE Journal, 62, 1294-1307.
- 12. Watanabe, S., Matsumoto, S. and Higurashi, T. (2015) Almost Complete Separation of a Fluid Component from a Mixture Using Burgers Networks of Microseparators. Journal of the Physical Society of Japan, 84, Article ID: 043401 (1-4). https://doi.org/10.1002/aic.15091
- 13. Tu, X.K., Wu, Y., Li, G.F. and Li, Z.J. (2009) Design of a High Frequency Driving Circuit of Ultrasonic Wave Transducer. Electronic Measurement Technology, 32, 23-25.









