Engineering
Vol.10 No.07(2018), Article ID:86148,13 pages
10.4236/eng.2018.107032
Improved Monitoring Protocol for Evaluating the Performance of a Sewage Treatment Works Based on Sensitivity Analysis of Mathematical Modelling
Xie Zhou1, Jian Chen1, Yanqiu Tang2, Josie J. Ren3, Vinci K. C. Lee3, Anthony Y. W. Ma3*
1Ecological and Environmental Monitoring Center of Chongqing, Chongqing, China
2Chongqing Academy of Environmental Science, Chongqing, China
3Environmental Management Division, Hong Kong Productivity Council, Hong Kong, China

Copyright © 2018 by authors and Scientific Research Publishing Inc.
This work is licensed under the Creative Commons Attribution-NonCommercial International License (CC BY-NC 4.0).
http://creativecommons.org/licenses/by-nc/4.0/



Received: April 26, 2018; Accepted: July 21, 2018; Published: July 24, 2018
ABSTRACT
Extensive historical data of a sewage treatment works are required by numerical models in order to simulate the biological processes accurately. However, the data are recorded mostly for daily operational purpose. They are basically not comprehensive enough to meet the modelling’s requirements. A comprehensive sampling protocol to accurately characterise the influent is required in order to determine all model components, which is very time-consuming and expensive. In a project of evaluating a sewage treatment works in Chongqing by using BioWin 4.1 for mathematical modelling, sensitivity analysis was conducted to determine the most critical parameters for process monitoring. It was found that influent characteristics, wasted sludge flow rate, water temperatures, DO levels of the biological tanks and five bio-kinetic parameters were the most influential parameters governing the plant performance. Therefore, apart from monitoring the effluent quality, regular checking of the afore-mentioned influential parameters can help examine the performance of a sewage treatment works. Moreover, operators of the sewage treatment works can conduct “what-if” analysis to determine how these most influential parameters can be adjusted to improve the treatment performance of the sewage treatment works.
Keywords:
Activated Sludge Model, Sensitivity Analysis, Mathematical Modelling, Sewage Treatment

1. Introduction
Municipal sewage treatment works are essential infrastructures of modern cities. Apart from building new treatment facilities to cater for the city development, many existing sewage treatment works are required to be upgraded in order to meet new requirements, such as tightening of the effluent discharge standards, increase in treatment capacity and reduction in operating costs. Since the treatment processes of municipal sewage treatment works are getting more complicated, mathematical modelling is becoming an increasingly popular tool to assist process design of wastewater treatment [1] . The main advantage of applying mathematical modelling is to predict the system performance in different scenarios. Bye et al. [2] applied mathematical modelling to study wastewater treatment process linking several regions in Canada in order to plan the treatment process across the regions. Activated sludge models (ASMs), namely ASM1, ASM2, ASM2d and ASM3 [3] proposed by International Water Association (IWA) task group on mathematical modelling for design and operation of biological wastewater treatment are commonly used for developing mathematical models on biological wastewater treatment processes. There are some simulation softwares developed based on the ASMs, such as BioWin (developed by EnviroSim Associates Ltd.) and GPS-X (developed by Hydromantis Environmental Software Solutions, Inc.).
One of the limitations on using mathematical modelling is the extensive work involved in model calibration. Extensive historical data of a sewage treatment works are required for model calibration. However, the data are recorded mostly for daily operational purpose. So they are basically not comprehensive enough to meet the modelling’s requirements. Therefore, some research works were conducted in order to simplify the modelling procedures [4] [5] . This paper presents a systematic approach to use BioWin 4.1 to build a mathematical model for a sewage treatment works in Chongqing province. In this approach, the most influential parameters to the performance of sewage treatment works were determined using sensitivity analysis [6] , which aims to simplify the application of modelling during the development of plant upgrade measures. For example, highly influential factors for particular output parameters can be identified. The designers of plant upgrade measures are anticipated to save their effort by focusing on these identified input parameters if particular output parameters are manipulated.
2. Methods
There are a number of sewage treatment works in Chongqing province. In 2015, about 1012 million tons of wastewater was treated by municipal sewage treatment works in 2015 [7] . Chongqing province is located in the Three Gorges Reservoir Region. In recent years, the Central Government requests the existing sewage treatment works located in the Three Gorges Reservoir Region to enhance the removal rates of nitrogen and phosphorus in wastewater. Therefore, it is necessary to closely monitor and assess the performance of many existing sewage treatment works especially if the more stringent discharge standard, Standard 1-A, is to be imposed. In order to evaluate sewage treatment works in Chongqing, mathematical modelling using BioWin 4.1 was employed.
2.1. Description of the Sewage Treatment Works
A sewage treatment works in Chongqing was selected for this study. Taojiazhen Sewage Treatment Works (TJZSTW) is located at Jiulongpo district, southwest of the Chongqing metropolitan area. The outlook of the TJZSTW was illustrated in Figure 1. The operation of TJZSTW was commenced in December 2011, serving about 35,000 people, as estimated in 2012. The design capacity of the TJZSTW, using two identical systems, totally is about 5000 m3/day. However, the current peak loading of one system has already reached more than 3000 m3/day. Therefore, appropriate plant upgrade measures of the TJZSTW have to be designed.
The treated effluent from the TJZSTW is discharged into the Daxi River, eventually to the Yangtze River where Three Gorges are located. Therefore, the discharge standards of the sewage treatment works are stringent and are expected to be tightened from the current Standard 1-B of “Discharge Standard of Pollutants for Municipal Wastewater Treatment Plant” (GB 18918-2002) to Standard 1-A. Since the TJZSTW can represent as a typical plant upgrade cases in Chongqing, the TJZSTW was selected in this study. Major parameters of the discharge standards are summarised in Table 1.
The key treatment process of the TJZSTW is an A2O Carrousel oxidation ditch process, as illustrated in Figure 1. The influent of the TJZSTW firstly passes through 2 coarse screens operated in parallel to remove large objects. The
Table 1. Major Parameters of “Discharge Standard of Pollutants for Municipal Wastewater Treatment Plant” (GB 18918-2002).
Figure 1. Photos of Taojiazhen Sewage Treatment Works.
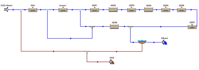
sewage is then pumped to a fine screen and two hydrocyclones operated in parallel to further remove sand and grits which may affect the subsequent biological processes. Afterwards, the sewage enters two sets of A2O systems and Carrousel oxidation ditches, which operate in parallel. Cl2O is dosed into the treated effluent of two final clarifiers before discharging to the Daxi River. The process block diagram is illustrated in Figure 2.
Historical water quality and operational data were collected from the TJZSTW. However, as the data of TJZSTW were recorded for operational purpose, only daily characteristics of influent and effluent as well as influent flow rates were available. A site visit to TJZSTW was then conducted in accompaniment of operators and management staff of the plant to verify the actual design and practice of daily operation of TJZSTW.
2.2. Development of Model
In order to build a mathematical model for simulation of the treatment process, comprehensive sampling protocol, with reference to Melcer et al. [8] , was conducted. The list of parameters of influent and individual treatment units is illustrated in Table 2. Since sewage was treated by two identical sets of A2O systems
Table 2. List of Parameters of Influent and Effluents from Individual Process Units.
Figure 2. Block Diagram of Treatment Process.
and Carrousel oxidation ditches which were operated in parallel. The sampling protocol was only conducted in System A, as illustrated in Figure 1. BioWin 4.1, using ASMs [3] , was used to build a mathematical model for TJZSTW.
2.3. Model Calibration and Validation
Model calibration is an iterative process to fine-tune model parameters in order to fit a certain set of data measured from the sampling protocol with the calculated values by the model.
In order to simulate an oxidation ditch, alternative anoxic and aerobic bioreactors were used according to the locations of the surface aerators. Figure 3 is a setup of BioWin for the modelling of the process of TJZSTW.
Physical configuration parameters, such as dimensions of water tanks and equipment parameters, were site-specific parameters. These parameters could be found from the design documents of TJZSTW. Sample analyses for all wastewater characteristics mentioned in Table 2 were performed. Table 3 is a condensed table summarizing general characteristics of influent and effluent. These measured parameters were inputted into the model accordingly. Sub-categories of organic matter, such as readily biodegradable and slowly biodegradable organic matters, were also used in ASMs. In this study, additional tests as described in Melcer et al. [8] were also conducted in order to determine some detailed influent characteristics. The remaining influent characteristics were kept at default values as found in BioWin 4.1.
Apart from influent characteristics, ASMs also include kinetic and stoichiometric parameters. Examples are growth and decay rates of Ammonia Oxidising Biomass (AOB) and Nitrite Oxidising Biomass (NOB). Default values of these ASM parameters were firstly used as they were developed based on results from numerous sewage treatment plants.
Table 3. Characteristics of Influent and Effluent of TJZSTW.
Figure 3. BioWin Setup.
When the model calibration was conducted, a parameter governing the simultaneous nitrification and denitrification (SND) reactions was found necessary to deviate from the default value. This parameter was used to switch off aerobic Ordinary Heterotrophic Organisms (OHO) activity under low DO conditions (that is in anaerobic and anoxic reactors), and triggers denitrification and Phosphorus Accumulating Organisms (PAOs). If the default value (0.05 mg/L) of this switch parameter was used, a higher level of effluent NO3 would be resulted. For an oxidation ditch process, simultaneous nitrification and denitrification occur. Therefore, higher threshold to trigger anaerobic activity was proposed. Therefore, the switch parameter was revised to 0.45 mgO2/L in order to fit the model with actual performance of the system, which was still below low DO level of 0.5 mg/L previously tested by Gogina and Gulshin [9] .
The developed model was then validated. The purpose of model validation is to determine the accuracy of the model developed. In order to conduct the model validation, a set of data which was not used for the model development was inputted to the model to determine a set of predicted values (i.e. output of model). This set of predicted values was compared with the range of actually measured values. If the predicted values fall within the range of actually measured values, then the developed model is determined to be valid for the current input data set.
The validated results are illustrated in Figure 4 and Figure 5. The figures show that the predicted values, represented by solid-coloured bars, fall within
Figure 4. Simulated Results with Confidence Intervals of Measured Values (COD and TSS).
Figure 5. Simulated Results with Confidence Intervals of Measured Values (TP and NH4-N).
the ranges of the measured values of four targeted parameters, represented by interval bars. This proves that the calibrated model can be used for the subsequent analysis.
3. Discussion
Sensitivity Analysis
It is an expensive and time-consuming process to determine all model components. An enormous number of wastewater characteristics imply conducting a comprehensive sampling protocol. Additional tests are even necessary to be conducted in order to determine kinetics parameters [8] . A sensitivity analysis can illustrate how dependent variables (i.e. output variables), such as effluent wastewater characteristics, are influenced by independent variables (i.e. input variables), such as influent wastewater characteristics, kinetic and stoichiometric parameters [10] [11] . A normalised sensitivity coefficient (Si,j) is defined as the ratio of the percentage change in output variables relative to the percentage change of input variables, as illustrated in Equation (1). In this paper, a 10% change in the input variables is used.
(1)
where Si,j = normalised sensitivity coefficient; xi = ith input variable; Δxi = variation of ith input variable; yi = ith output variable; Δyi = variation of ith output parameter.
Since the variation of input variables is fixed at 10%, a high value of normalised sensitivity coefficient, Si,j, for a particular input variable indicates that the input variable has an important influence on the simulation results (i.e. resulting in greater change of output variable), whereas a zero value of Si,j for an input variable means that the output variable does not depend on that input variable.
Apart from determining the degree of influence of an individual input variable to a particular output variable using Equation (1), a collective influence of a group of input variables to a particular output variable can be determined using a sum of absolute normalised sensitivity coefficients, as defined in Equation (2):
(2)
where δj = collective influence of all input variables to the jth output variable; Si,j = normalised sensitivity coefficient.
A higher value of dj indicates that this particular output variable is highly influenced by this group of input variables, i.e. more degree of sensitivity to this group of input variables.
Similarly, a collective influence of a particular input variable to a group of output variables can be determined using a sum of absolute normalised sensitivity coefficients, as defined in Equation (3):
(3)
where δi = collective influence of all output variables from the ith input variable; Si,j = normalised sensitivity coefficient.
A higher value of di indicates that this particular input variable highly influences this group of output variables, i.e. more degree of influence to this group of output variables.
In order to conduct a comprehensive sensitivity analysis, eighty-six input variables in BioWin 4.1, covering influent wastewater physical and chemical characteristics, kinetic and stoichiometric parameters associated with Ammonia Oxidising Biomass (AOB) and Nitrite Oxidising Biomass (NOB) were involved in the sensitivity analysis. The water characteristics of effluent were the output variables in the sensitivity analysis.
For the sake of simplicity, only values of the normalised sensitivity coefficient, Si,j, higher than 0.05 are showed in Table 4. Further, the input and output variables listed in Table 4 were sorted by the corresponding collective normalized coefficients defined in Equation (2) and Equation (3) in descending order. In summary, the output variable with the highest value of collective normalised sensitivity as defined in Equation (2) is positioned at the far left column of Table 4, indicating that it has the highest degree of sensitivity to this group of input
Table 4. Sensitivity Analysis Results.
variables. Similarly, the input variable with the highest value of collective normalised sensitivity as defined in Equation (3) is positioned at the top row of Table 4, indicating that it has the highest degree of influence to this group of output variables. Table 4 only illustrates the first fifteen rows of the results only.
The result shows that the total COD of influent causes the most influence to the effluent quality, not only the effluent COD but also other parameters related to nitrogen and phosphorus. Apart from this input variable, four additional variables, namely TKN, flow rate, total P and readily biodegradable COD, also have the greatest influence to the effluent quality. Therefore, analyses of these five influent parameters are essential to the monitoring and evaluation of the performance of sewage treatment works.
Apart from the aforesaid influent parameters, the wasted sludge flow rate, water temperature and DO level in the aeration zone of oxidation ditch also have significant influence on the effluent quality. On the other hand, the performance of sewage treatment works can be verified by checking the wasted sludge flow rate and water temperature. For example, according to Table 4, 10% increase of wasted sludge flow rate (row) can cause about 6.7% drop (−0.067) in soluble PO4-P in the effluent (column). However, it will simultaneously cause about 5.2% rise in NH4-N. Alternatively, if the wasted sludge flow rate is dropped, it is anticipated that the level of soluble PO4-P would be increased while the level of NH4-N would be reduced. This piece of information may provide a rough estimation on the adjustment of the wasted sludge flow rate during the operation of TJZSTW.
The remaining top influential parameters are five kinetic parameters, namely the endogenous products decay rate, substrate (NH4) half saturation of AOB, the aerobic decay rate of AOB, Maximum specific growth rate of AOB and Switch off aerobic Ordinary Heterotrophic Organisms (OHO) activity under low DO conditions. Except for the last switch parameter which has been discussed above, default values provided in BioWin 4.1 are used for all these kinetic parameters in this study. It demonstrates that an ordinary set of biological process parameters are sufficient to be used to model the performance of TJZSTW.
4. Conclusions
In this project, mathematical modelling for the Taojiazhen Sewage Treatment Works (TJZSTW) in Chongqing was developed using BioWin 4.1. It would be very time-consuming and expensive to use a comprehensive sampling protocol to accurately characterise the influent in order to determine all model components. Instead, sensitivity analysis was conducted to determine the most critical parameters for process monitoring. It was found that influent characteristics, wasted sludge flow rate, water temperatures, DO levels of the biological tanks and five bio-kinetic parameters were the most influential parameters governing the plant performance. Therefore, apart from monitoring the effluent quality, regular checking of the afore-mentioned influential parameters can help examine the performance of a sewage treatment works. Moreover, operators of the sewage treatment works can conduct “what-if” analysis to determine how these most influential parameters can be adjusted to improve the treatment performance of the sewage treatment works.
Acknowledgements
This study was funded by International S&T Cooperation Program of China (ISTCP) (Cooperative Research and Development of Mathematical Modelling Simulation on Municipal Sewage Treatment Process) [2014DFH90030].
Cite this paper
Zhou, X., Chen, J., Tang, Y.Q., Ren, J.J., Lee, V.K.C. and Ma, A.Y.W. (2018) Improved Monitoring Protocol for Evaluating the Performance of a Sewage Treatment Works Based on Sensitivity Analysis of Mathematical Modelling. Engineering, 10, 464-476. https://doi.org/10.4236/eng.2018.107032
References
- 1. Moragaspitiva, C., Rajapakse, J., Senadeera, W. and Imtiaj, A. (2017) Simulation of Dynamic Behaviour of a Biological Wastewater Treatment Plant in South East Queensland, Australia using Bio-Win Software. Engineering Journal, 21, 1-22. https://doi.org/10.4186/ej.2017.21.3.1
- 2. Bye, C.M., Bicudo, J.R. and Jones, R.M. (2012) Region-Wide Wastewater Treatment Plant Modelling Enhances Facility Management and Planning. Proceedings of Water Environment Federation Technical Exhibition & Conference, New Orleans, LA, 8339-8361.
- 3. The IWA Task Group on Mathematical Modelling for Design and Operation of Biological Wastewater Treatment (2000) Activated Sludge Models ASM1, ASM2, ASM2D, ASM3. London.
- 4. Eldyasti, A., Nakhla, G. and Zhu, J. (2012) Development of a Calibration Protocol and Identification of the Most Sensitive Parameters for the Particulate Biofilm Models Used in Biological Wastewater Treatment. Bioresource Technology, 111, 111-121. https://doi.org/10.1016/j.biortech.2012.02.021
- 5. Bahar, S. and Ciggin, A.S. (2016) A Simple Kinetic Modeling Approach for Aerobic Stabilization of Real Waste Activated Sludge. Chemical Engineering Journal, 303, 194-201. https://doi.org/10.1016/j.cej.2016.05.149
- 6. Ruiz, L.M., Rodelas, P., Pérez, J.I. and Gómez M.A. (2015) Sensitivity Analyses and Simulations of a Full-Scale Experimental Membrane Bioreactor System Using the Activated Sludge Model No. 3 (ASM3). Journal of Environmental Science and Health, Part A, 50, 317-324. https://doi.org/10.1080/10934529.2015.981122
- 7. Chongqing Municipal Bureau of Statistics (2016) Chongqing Statistical Yearbook 2016. Chongqing Municipal Bureau of Statistics, Chongqing.
- 8. Melcer, H., Dold, P.L., Jones, R.M., Bye, C.M., Takacs, I., Stensel, H.D., Wilson, A.W., Sun, P. and Bury, S. (2003) Methods for Wastewater Characterization in Activated Sludge Modelling: Water Environment Research Foundation (WERF). Alexandria, VA.
- 9. Gogina, E. and Gulshin, I. (2016) Simultaneous Nitrification and Denitrification with Low Dissolved Oxygen Level and C/N Ratio. Procedia Engineering, 153, 189-194. https://doi.org/10.1016/j.proeng.2016.08.101
- 10. Liwarska-Bizukojc, E. and Biernacki, R. (2010) Identification of the Most Sensitive Parameters in the Activated Sludge Model Implemented in BioWin Software. Bioresource Technology, 101, 7278-7285. https://doi.org/10.1016/j.biortech.2010.04.065
- 11. Chen, W., Lu, X., Yao, C., Zhu, G. and Xu, Z. (2015) An Efficient Approach Based on Bi-Sensitivity Analysis and Genetic Algorithm for Calibration of Activated Sludge Models. Chemical Engineering Journal, 259, 845-853. https://doi.org/10.1016/j.cej.2014.07.131







