Circuits and Systems
Vol.07 No.13(2016), Article ID:71980,15 pages
10.4236/cs.2016.713338
Fuzzy Controlled Ultra-Capacitor Based DVR (UCAP-DVR) for Power Quality Enhancement
R. Bhavani, Dr. N. Rathina Prabha
Department of Electrical and Electronics Engineering, Mepco Schlenk Engineering College, Sivakasi, India

Copyright © 2016 by authors and Scientific Research Publishing Inc.
This work is licensed under the Creative Commons Attribution International License (CC BY 4.0).
http://creativecommons.org/licenses/by/4.0/



Received: May 6, 2016; Accepted: May 15, 2016; Published: November 14, 2016
ABSTRACT
In recent years, a rapid decrease in the cost of various energy storage technologies and their integration into grid becomes a reality with the advent of smart grid. The Dynamic Voltage Restorer (DVR) is a custom power device that has an excellent dynamic capability used to provide voltage sag, swell compensation in distribution systems. Among the energy storage devices, Ultra-Capacitors (UCAP) have ideal characteristics such as high power and low energy density essential for the compensation of voltage sag and swell, which require high power for short interval of time. This paper presents an integration of rechargeable UCAP with DVR. This UCAP-DVR presents a modular, flexible system configuration that will have an active power capability and also provide deep, extended mitigation for power quality problems. The DVR is integrated into UCAP via bidirectional DC-DC converter which supports a rigid dc-link voltage for DVR and also helps in compensating temporary voltage sag and swell. FUZZY LOGIC Controller is used to enhance the performance of UCAP- DVR. The simulation model for the proposed system has been developed in MAT- LAB and the performance over conventional DVR is compared with the results obtained.
Keywords:
Dynamic Voltage Restorer (DVR), Ultra-Capacitor (UCAP), DC-DC Converter, Voltage Sag, Voltage Swell, Fuzzy Logic Controller (FLC)

1. Introduction
Power quality is one of the major concerns in present era. The growth of power electronic technology in the field of electric power sector has caused a great awareness on power quality in distribution systems. Sensitive industrial loads, utility distribution networks all suffer from various types of power quality problems such as voltage sag, voltage swell, power interruptions, harmonics etc. [1] . Among these power quality problems, voltage sag and swell are the most frequent problems in the distribution system [2] . So, there is a necessity to enhance power quality in distribution systems.
The Custom Power Device Dynamic Voltage Restorer (DVR) has become a popular cost effective solution for power quality enhancement [3] . The use of Inverter based DVR for power quality problems, was presented in [4] . The compensation capability of DVR mainly depends on its maximum voltage injection ability and its active power contribution. The system configurations and analysis reveal the operating performance of DVR [5] . The Energy Optimized DVR to compensate voltage sag and swell was done by injecting a lagging voltage in quadrature with the line current [6] .
In the recent past, the cost of the rechargeable energy storage has been drastically decreasing due to various developments in technologies such as solar, wind, hybrid electric vehicles (HEVs). Numerous types of rechargeable energy storage technologies based on flywheels (FESS), batteries (BESS), superconducting magnets (SMES) and ultra-capacitors (UCAPs) are designed for integration into advanced power applications like DVR [7] [8] [9] . There has been improved interest to integrate rechargeable energy storage at the dc-terminal of power quality products like STATCOM and DVR is addressed in [10] . Matrix converter based DVR is given in [11] [12] where there is no requirement of energy storage device for emergency purpose of the grid but it suffers from drawbacks such as high cost, high energy requirement and in [13] H-bridge with cascaded connection in DVR with an inductor controlled by thyristor is introduced to minimize the necessity of energy storage. Ultra-capacitors are best suited for many applications among other energy storage technologies which need active power support in the range of milliseconds to seconds [14] [15] .
Ultra-capacitors have various potential advantages that make them unbeatable in many applications because they require neither cooling nor heating, no moving parts, and it does not undergo internal chemical changes as part of their function. In addition, no frequent maintenance is required with reduction in lifetime degradation due to deep cycling and they are very efficient and robust.
This paper deals with the problems of voltage sag and swell in distribution system and also presents the integration of UCAP-DVR. To achieve fast and precise compensation Fuzzy Logic Controller (FLC) is used along with UCAP-DVR. The UCAP is integrated into the DC link of DVR via bidirectional DC-DC converter designed to operate in buck and boost mode. In addition, UCAPs have high power density and low energy density ideal characteristics for effective compensation of PQ problems such as voltage sag and voltage swell investigating the high quality of power in the distributed power generation.
2. Proposed System
The block diagram of the integrated UCAP-DVR connected distribution system is shown in Figure 1. It consists of DVR, a bidirectional DC-DC converter connected with UCAP energy storage device. DVR is a Voltage Source Inverter (VSI) which is put
Figure 1. Block diagram of the proposed system.
in series between the supply and a critical load at the point of common coupling through the injection transformer. It is a solid state inverter which shoots up the series voltage with a controlled magnitude and phase angle to retrieve the quality of load voltage although the supply voltage is distorted. AC side of the voltage source inverter is connected to primary winding of the series injection transformer and its DC side is connected to an energy storage device UCAP through a bi-directional DC-DC converter to maintain stiff dc-link voltage. The proposed system has the capability to supply and absorb active power from the grid. A bi-directional dc-dc converter acts as a boost converter while the UCAP is discharging energy into the grid and as a buck converter while charging the UCAP from the grid.
The performance of the proposed UCAP-DVR is improved by using FLC to provide precise and fast compensation for power quality problems.
3. Design and Simulation of Ultra Capacitor (UCAP)
3.1. Basic Structure
Ultra-Capacitor consists of the electrode, electrolyte, Collector, exhaust valve, membrane for isolation, sealing materials and connection pole. The performance of Ultra- capacitor depends on Electrode materials, composition of electrolyte, quality related to separation membrane and manufacturing technology. According to the energy storage mechanism, UCAP can be divided into three categories namely double-layer capacitor, metal-oxide electrode super-capacitor and organic polymer electrode Ultra capacitor. The frequently used carbon electrode double-layer capacitor is shown in Figure 2.
While charging, the positive plate attracts electrolyte anode and negative plate attracts cathode, a double layer capacitor is formed on the surface of two layers, thus the name double layer capacitor. When discharging, it can release all stored energy instantly. The advantage of using UCAP is that they have long life time and it has large charge as well as discharge cycles. UCAP is mainly suitable for short term high-power application.
3.2. Design and Simulation
The choice of selecting the number of UCAPs depends on the factors such as a terminal voltage of UCAP, dc-link voltage and voltage of the distribution grid. The value of capacitance and Equivalent series resistance (ESR) depends on the formula given by,
(1)
(2)
The capacitance of the UCAP varies directly with the parallel plate area A and inversely with the distance a between the plates and is given by,
[F] (3)
The design parameters are shown in Table 1.
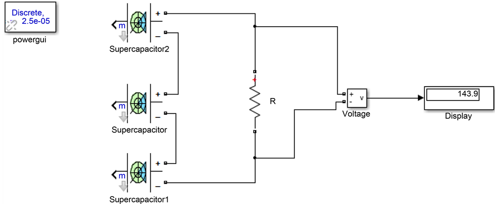
In this paper, three UCAP, each of 48 V with 165 F capacitance, are connected in series to obtain the output voltage of 144 V. This model is simulated in Matlab is shown in Figure 3.
4. Design and Simulation of DC-DC Converter
There arises an increasing need for the systems with the competency of bidirectional
Figure 2. Ultra-capacitor structure.
Table 1. Design parameters.
transfer of energy between two dc buses, thus bidirectional dc-dc converters have recently received a lot of attention. It acts as an interface circuit in energy storage system for UCAP as a wide range of voltage varies during charging and discharging. Moreover in the voltage side, if an inverter is connected, there is a need for the UCAP to provide a stable DC voltage for the inverter circuit. Thus, DC-DC converter plays a major role in this system. The model of bidirectional DC-DC converter is shown in Figure 4 with UCAP as energy storage.
During Voltage sag event, the DC-DC converter should be able to withstand the power generated during the discharge mode. Depend on depth and duration of the voltage sag; the grid decides the amount of active power support. Conversely, during voltage swell event the DC-DC converter may able to absorb the additional power from the grid. Thus bidirectional DC-DC converter acts in boost mode while discharging and, on the other hand, it acts as buck mode during charging. The choice of the number of UCAPs necessary for providing grid support depends on the amount of support needed, terminal voltage of the UCAP, dc-link voltage and distribution grid voltages.
Figure 3. UCAP design using MATLAB.
Figure 4. Bidirectional DC-DC converter with UCAP energy storage.
In the proposed system, the DC link voltage needs to be 220 V for optimal performance of DVR so that three UCAPs are connected in series with the voltage of 144 V which acts as input to the bidirectional DC-DC converter. Therefore, bi-directional dc-dc converter is designed to operate in boost mode when the UCAP bank voltage in discharge mode and the output voltage are regulated at 220 V. And when the UCAP bank voltage in charge mode the bi-directional dc-dc converter is operated in Buck mode and draws energy from the grid to charge the UCAPs and the output voltage is again regulated at 220 V. The design specifications of DC-DC converter is shown in Table 2.
This model is simulated in matlab using FLC to get the fine output DC voltage from converter which is used as DC link voltage for DVR. The input voltage from UCAP and the output voltage obtained are shown in Figure 5(a) and Figure 5(b).
5. Fuzzy Logic Controller
FLC is one of the most flourishing operations of fuzzy set theory. Its principal aspects are the utilization of linguistic variables rather than numerical variables. FL control technique relies on human potential to figure out the behaviour of system and is constructed on the rules of quality control. FL affords a simple way to arrive at a definite ending based upon ambiguous, blurred, imprecise, missing or noisy input data. The basic structure of FLC is represented in Figure 6.
In this paper, FLC is implemented along with UCAP-DVR for voltage correction through Error and Change in Error are the inputs and Duty cycle is the output to the Fuzzy Logic Controller as shown in Figures 7(a)-(c). In the decision-making process, there is rule base which associates between input (error signal) and output signal. Table 3 shows the rule base exercised in this proposed Fuzzy Logic Controller.
6. Simulation Results
Consider a three phase 440 V, 50 Hz distribution system is connected to linear load with line impedance R = 2.5 Ω L = 3 mH. The power quality problems voltage sag and swell are simulated in Matlab for the time interval of 0.15 s to 0.35 s is shown in Figure 8(a) and Figure 8(b).
UCAP model is designed and integrated with DVR through the DC-DC converter and is connected to distribution system for the compensation of voltage sag and swell. Two different control strategies using PI controller and the proposed Fuzzy Logic (FL)
Table 2. Design specifications.


Figure 5. (a) Input and (b) Output voltages of DC-DC converter.
Figure 6. Basic structure of fuzzy logic controller.



Figure 7. Membership function for (a) Error. (b) Change in error. (c) Output.
Table 3. Fuzzy rules.


Figure 8. Simulated waveform for (a) Voltage sag; (b) Voltage swell.
controller were implemented in UCAP-DVR. The simulation model of the proposed DVR with Fuzzy Logic Controller is shown in Figure 9.
Figure 9. Proposed DVR with fuzzy logic controller.
The injected voltage of DVR [Vinja, Vinjb, Vinjc] for the voltage sag is shown in Figure 10(a). It can be observed from Figure 10(b) that the injected voltage Vinja lags V0ab by 30˚, which shows that it is in-phase with the line-neutral source voltage V0ab.
The injected voltage of the DVR [Vinja, Vinjb, Vinjc] for the voltage swell is shown in Figure 11(a). It can be observed from Figure 11(b) that the injected voltage Vinja lags V0ab by 150˚, which shows that it is out of phase with 180˚ in line-neutral voltage source V0ab. Thus, the voltage sag and swell problems are compensated effectively by the proposed UCAP-DVR in a precise and effective manner is shown in Figure 11(c). The active power may be absorbed by UCAP-DVR from the grid during voltage swell event through the bidirectional converter and the inverter. It can be observed that due to the injected voltage, the magnitude of the source voltage is reduced, but the load voltage remains constant and thus the voltage sag event can be compensated. Similarly, it can be observed that due to the injected voltage, the magnitude of source voltage has increased, but the load voltage remains constant and thus the voltage swell can be compensated.
The effectiveness of the proposed fuzzy logic controlled UCAP-DVR is proven by comparing its performance with conventional DVR with different controllers PI and fuzzy logic controller in terms of measuring Total Harmonic Distortion (THD) of the source voltage. The THD spectrum obtained for the voltage sag and swell event by using


Figure 10. (a) Injected voltage [Vinja, Vinjb, Vinjc] during sag. (b) Injected voltage Vinja (green) and V0ab (blue) during sag.



Figure 11. (a) Injected voltage [Vinja, Vinjb, Vinjc] during swell. (b) Injected voltage Vinja (green) and V0ab (blue) during swell. (c) Compensated voltage.
the proposed DVR is shown in Figure 12(a) and Figure 12(b). The comparison of THD between the uncompensated, conventional DVR, UCAP-DVR with PI controller and the proposed UCAP-DVR with Fuzzy Logic controller is shown in Table 4. This analysis shows that the integrated UCAP-DVR connected through the bidirectional DC-DC converter using FLC provides efficient and precise compensation for power quality problems voltage sag and swell. Thus the performance of DVR is greatly improved and also reduces THD of the source voltage to the acceptable value.
7. Conclusion
In this paper, a novel integrated UCAP-DVR design was proposed to improve the voltage


Figure 12. Simulated waveform for (a) Voltage sag; (b) Voltage swell.
Table 4. THD comparison.
profile of distribution power system. The proposed model proves that UCAP can be a useful alternative DC source for DVR since it can provide very high power in a short duration of time and to explore the feasibility and stability of the energy storage system which enhances power reliability and energy security in a distribution system. The design and modelling of bidirectional DC-DC converter was discussed as UCAP cannot be directly connected to the dc-link of the DVR. The operation of the proposed DVR has been demonstrated by using FLC. The simulation of the UCAP-DVR system is carried out using MATLAB. The results obtained show that the proposed system has the ability to provide temporary voltage sag and swell compensation, active power support and renewable intermittency smoothing to the distribution grid. The simulation results obtained are also compared with conventional DVR in terms of THD, and show that the proposed DVR using FLC provides compensation in efficient and deep manner. These outcomes make DVR more economical and can also be extended to other power quality problems. In future, the proposed DVR can be deployed in a micro-grid or a low voltage distribution grid to respond to dynamic changes in the voltage profiles and power profiles on the distribution grid in a smart grid scenario.
Cite this paper
Bhavani, R. and Prabha, Dr.N.R. (2016) Fuzzy Controlled Ultra-Capacitor Based DVR (UCAP-DVR) for Power Quality Enhancement. Circuits and Systems, 7, 4098-4112. http://dx.doi.org/10.4236/cs.2016.713338
References
- 1. Bollen, M.H.J. (2000) Understanding Power Quality Problems. IEEE, Piscataway.
- 2. Edomah, N. (2009) Effects of Voltage Sags, Swell and Other Disturbances on Electrical Equipment and Their Economic Implications. The 20th International Conference on Electricity Distribution, Prague, 8-11 June 2009, 1-4.
- 3. Ghosh, A. and Ledwich, G. (2002) Power Quality Enhancement Using Custom Power Devices. Kluwer, London.
http://dx.doi.org/10.1007/978-1-4615-1153-3 - 4. Benachaiba, C. and Ferdi, B. (2009) Power Quality Improvement Using DVR. American Journal of Applied Sciences, 6, 396-400.
http://dx.doi.org/10.3844/ajassp.2009.396.400 - 5. Igarashi, H. and Akagi, H. (2003) System Configurations and Operating Performance of a Dynamic Voltage Restorer. IEEE Transactions on Industry Applications, 123-D, 1021- 1028.
http://dx.doi.org/10.1541/ieejias.123.1021 - 6. Vilathgamuwa, D.M., Perera, A.A.D.R. and Choi, S.S. (2003) Voltage Sag Compensation with Energy Optimized Dynamic Voltage Restorer. IEEE Transactions on Power Delivery, 18, 928-936.
http://dx.doi.org/10.1109/TPWRD.2003.813880 - 7. Shi, J., Tang, Y.J., Yang, K., Chen, L., Ren, L., Li, J.D. and Cheng, S.J. (2010) SMES Based Dynamic Voltage Restorer for Voltage Fluctuations Compensation. IEEE Transactions on Applied Superconductivity, 20, 3120-3130.
- 8. Goharrizi, A.Y., Hosseini, S.H., Sabahi, M. and Gharehpetian, G.B. (2012) Three-Phase HFL-DVR with Independently Controlled Phases. IEEE Transactions on Power Electronics, 27, 1706-1718.
http://dx.doi.org/10.1109/TPEL.2011.2159396 - 9. Jayaprakash, P., Singh, B., Kothari, D.P., Chandra, A. and Al-Haddad, K. (2014) Control of Reduced-Rating Dynamic Voltage Restorer with a Battery Energy Storage System. IEEE Transactions on Industry Applications, 50, 1295-1303.
- 10. Arsoy, A.B., Liu, Y., Ribeiro, P.F. and Wang, F. (2003) StatCom-SMES. IEEE Industry Applications Magazine, 9, 21-28.
http://dx.doi.org/10.1109/MIA.2003.1180946 - 11. Mahdianpoor, F., Hooshmand, R. and Ataei, M. (2011) A New Approach to Multifunctional Dynamic Voltage Restorer Implementation for Emergency Control in Distribution Systems. IEEE Transactions on Power Delivery, 26, 882-890.
http://dx.doi.org/10.1109/TPWRD.2010.2093584 - 12. Garcia-Vite, P.M., Mancilla-David, F. and Ramirez, J.M. (2013) Per-Sequence Vector- Switching Matrix Converter Modules for Voltage Regulation. IEEE Transactions on Industrial Electronics, 60, 5411-5421.
http://dx.doi.org/10.1109/TIE.2012.2235395 - 13. Al-Hadidi, H.K., Gole, A.M. and Jacobson, D.A. (2008) A Novel Configuration for a Cascaded Inverter-Based Dynamic Voltage Restorer with Reduced Energy Storage Requirements. IEEE Transactions on Power Delivery, 23, 881-888.
http://dx.doi.org/10.1109/TPWRD.2007.915989 - 14. Sahay, K. and Dwivedi, B. (2009) Supercapacitor Energy Storage System for Power Quality Improvement: An Overview. Journal of Electrical Systems, 10, 1-8.
- 15. Chen, Y., Mierlo, J.V., Bosschet, P.V. and Lataire, P. (2006) Using Super Capacitor Based Energy Storage to Improve Power Quality in Distributed Power Generation. Proceedings of IEEE International Power Electronics and Motion Control Conference (EPE-PEMC), Slovenia, 30 August-1 September 2006, 537-543.








