Open Journal of Inorganic Non-metallic Materials
Vol.05 No.04(2015), Article ID:60241,4 pages
10.4236/ojinm.2015.54006
The Effect of γ-Radiations on Dielectric Properties of Composite Materials PE + x vol% TlGaSe2
E. M. Gojayev, A. G. Hasanova
Azerbaijan Technical University, Baku, Azerbaijan
Email: geldar-04@mail.ru
Copyright © 2015 by authors and Scientific Research Publishing Inc.
This work is licensed under the Creative Commons Attribution International License (CC BY).
http://creativecommons.org/licenses/by/4.0/



Received 31 August 2015; accepted 10 October 2015; published 13 October 2015
ABSTRACT
The purpose of the paper is to study the effect of gamma irradiation on the temperature dependence of the dielectric constant (e) and dielectric loss (tanδ) of composite materials PE + x vol% (0≤ x ≤ 10). Measurements are carried out with an alternating current at a frequency of 1 kHz using the measuring bridge E-20. Measurements are carried out at temperature range 300 - 450 K, irradiated at doses of 50, 100 and 150 kGy. It is revealed that in all irradiated samples with increasing volumetric filler content increase the dielectric characteristics of composites PE + x vol%. TlGaSe2. Temperature variation of the dielectric parameters, after gamma irradiation are the result of occurring in the electron-ion and polarization at the interface of the matrix polymer with filler of TlGaSe2.
Keywords:
Gamma Irradiation, Dielectric Properties, Composite Materials

1. Introduction
It is known that there are several ways for changing the properties of polymers. One of them is to add the low molecular weight disperse fillers to the volume of the polymer. This composite materials take an entirely new electro-physical, electret, strength, thermal, optical and other properties [1] - [5] .
Usually, additives change supramolecular structure that largely determines physical, chemical and mechanical properties of polymers and composites based on them. This is due to the fact that when injecting small amount of fillers into polymers, the fillers act as artificial crystallization nuclei that leads to a change in the material properties. Thus, by changing the kind of fillers, the properties of polymer-based composite materials may be controlled. At present, there exists a rather large amount of works on investigation of fundamental properties of composites. However, there are no perfect models that explain the processes responding for change of electro- physical properties of polymers when introducing into them fillers, and also the action of ionizing radiations on these properties. In this connection, investigations of the effect of disperse fillers and also irradiation with γ-rays on electro-physical properties of polymers and composites based on them are very actual [6] -[8] .
The purpose of work is to study the dielectric properties of γ-irradiated composites with semiconducting fillers as PE + x vol% TlGaSe2 dimensions 100 nm.
2. Experimental Technique
Composite samples are obtained by mechanical mixing of TlGaSe2 powder with the PE powder in porcelain mortar. The mixing is continued until we have obtained a homogeneous mixture. The mixture is kept for some time at the melting temperature of the polymer under pressure of 5 MPa. In the same temperature by compacting the homogeneous mixture and the pressure slowly increases to 15 MPa. At this temperature, the sample is maintained for 5 minutes and then is quickly cooled in water. The sizes of the samples are: thickness is about 80 - 120 × 10−3 mm, diameter of the obtained samples is 35 mm . Provide reliable electric contact between the samples and electrodes made of stainless steel, the electrodes made of thin aluminum foil of thickness 7 × 10−3 mm was pressed to both working surfaces of the sample.
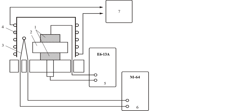
The measurement of dielectric constant and dielectric loss PE + x vol% TlGaSe2 carried out in the range 296 - 520 K with a linear rise in temperature at the rate of 2.5 K/min. Block diagram of the setup is shown in Figure 1. Measurement of ε and tgδ realized with alternating current frequency at 1 kHz. Sample (2) is kept between the two electrodes of the cell for measurement. Then the sample is heated in the cell via the heater (4) that was designed integrated in the laboratory with constant speed 2.5 K/min. The temperature of sample is registered by the thermocouple (3) by the system that attaches the heater 4. Resistance of the sample is measured by the tera- ohmmeter (5) (Е6-13А), while dielectric constant and dielectric loss measuring by the bridge Е-20. The sample’s temperature is measured by the temperature meter (6) (M-64). For the power supply of the heater used three-auto-regulated system (7).
3. Results and Discussion
The results of dielectric constant (ε) and dielectric loss of composites PE + x vol% TlGaSe2 at different tem-
Figure 1. Block diagram of the apparatus for measuring temperature depen- dences of dielectric constant and dielectric losses: 1-measuring cell, 2-sample, 3-thermocouple, 4-heater, 5-immittance meter, 6-termometer, 7-three-auto- regulated system.
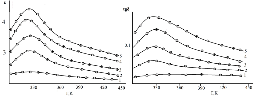
peratures up to γ-radiations is shown in Figure 2. The investigations were carried out at temperature range 300 - 450 K for the composites PE + x vol% TlGaSe2, where х = 0; 3; 5; 7 and 10. TlGaSe2. As is evident in Figure 2. in dependences ε(Т) and tgδ(Т) at temperatures 320 - 326 K there appears one low temperature maximum. With increasing the content of the filler TlGaSe2 the values of ε(Т) and tgδ(Т) increase.
At room temperature the values of dielectric constant of the composites with fillers х = 0; 3; 5; 7 and 10 vol% TlGaSe2 is 2.35, 2.7, 3, 3.40 and 3.65, while at temperature 320 K, 2.35, 3.1, 3.55, 4.15 and 4.5, respectively. In particular, for the composite 3 vol% TlGaSe2 with increasing the temperature from the room temperature to 320 K, ε(Т) increases by 17% (curve 2), for the composite with х = 5 (curve 3) at the same temperature range ε(Т) increases by 18%, for the composite with х = 7 (curve 4) by 22%, for the composite with х = 10 (curve 5) by 23%. For the compositions under investigation, with increase of the filler content there happens increase of the quantity of ε(Т) and tgδ(Т), in particular, for the composites with х = 0; 3; 5; 7 and 10 x vol% TlGaSe2 at room temperature tgδ(Т) becomes 0.013, 0.027, 0.043, 0.070 and 0.10, while for 330 K - 0.013, 0.043, 0.073 0.113, 0.24, respectively. With increasing the filler content at temperature 330 K the diffuse maximums are observed. With change of temperature from the room temperature to 330 K, for the composite 3 vol% TlGaSe2 the amplitude of tgδ(Т) increases for the composites with fillers 5; 7 and 10 vol% TlGaSe2 the increase of tgδ(Т) at the indicated temperature range is 17%, 16% and 24% respectively. For this composites with increasing the filler content, the value of ε(Т) and tanδ(Т) in the entire investigated temperature range is increased.
The effect of γ-irradiations on dielectric properties of the composites PE + x vol% TlGaSe2 is investigated. The studies were carried out on the composites irradiated at 50, 100, 150 kGy. The results are given in Figure 3. Temperature dependence of dielectric constant of composites PE + x vol% TlGaSe2, irradiated at dose of 50 kGy is given in Figure 3(а). As it follows in Figure 3(а), with increasing the filler’s content, on the whole of temperature range there happens increase of ε, and on the curves ε(Т) the maximums appear. However, in the irradiated samples the maximums are shifted to the area of higher temperatures (360 - 370 K) and become weakly expressed. In the composites irradiated at dose of 50 kGy dependencies of maximums in tanδ(Т) were not revealed, monotone decrease of tanδ(Т) (Figure 3(b)) are observed.
The results of investigations of temperature dependence of dielectric constant of composites PE + x vol% TlGaSe2, irradiated at dose of 100 kGy are given in Figure 3(c). As is seen from Figure 3(c), ε increases due to increase in the filler content. In particular, at room temperature, ε for the composites with admixtures x = 3; 5; 7; and 10 vol% TIGaSe2 is 3.6, 4, 4.4 and 4.66, respectively, and at temperature 360 K, ε of these composites was 3.87; 5.2; 5.87 and 7.47, respectively. Thus, in irradiated 100 kGy composites, at low temperatures with increasing the temperature from the room temperature to 370 K, ε increases, and with a further increase in temperature it decreases. Dielectric losses of these irradiated composites typical for all samples increase to 380 K, and at temperature range 380 - 450 K it decreases (Figure 3(d)). The results of investigations of temperature dependences of dielectric constant of composites PE + x vol% TlGaSe2 irradiated at dose 150 kGy are given in Figure 3(e), from which it follows that in ε(Т) dependence with the exception of pure polyethylene for all irradiated samples, with increasing temperature at wide range, dielectric constant increases. With increasing the filler content, the appropriate maximums of composites shift to the area of higher temperatures. Temperature dependence
Figure 2. Temperature dependences of dielectric constant (ε) and dielectric loss of composites PE + x vol% TlGaSe2, where 1-х = 0; 2-х = 3; 3-х = 5; 4-х = 7; 5-х = 10.
Figure 3. Temperature dependences of dielectic constant (ε) and dielectric loss of composites PE + x vol% TlGaSe2, under irradiated 50 kGy (а) (b); 100 kGy (c) (d); and 150 kGy (e) (f) where 1-х = 0; 2-х = 3; 3-х = 5; 4-х = 7; 5-х = 10.
of dielectric loss of composites radiated at the dose 150 kGy is given in Figure 3(f). As it follows from Figure 3(f), the temperature dependence tg(T) of composites, irradiated at dose of 150 kGy is relatively complicated, i.e. at lower temperatures tanδ increases, at the certain interval it decreases, and at 420 K increases. Note that for the composites irradiated by γ-rays at dose of 150 kGy the value of tgδ increases due to increase of the filler content.
Analysis of the results of investigation of dielectric properties of irradiated composites PE + x vol% TlGaSe2 shows that on the temperature dependence ε(Т) before and after irradiation one single maximum is observed. Apparently, appearance of this maximum in connected with participation in polarization process deeper traps emerging after γ-radiation.
Effect of γ-radiation on composites PE + x vol% TlGaSe2 reduces to significant alternation in the dependence ε(Т) and tanδ (Figure 2). So, after γ-radiation of composites in the interval 50 - 150 kGy, at temperature dependences ε(Т) one distinct maximum is observed. With increasing the dose of γ-radiation, the maximums in ε(Т) dependences shift to area of higher temperatures. Probably, appearance of maximum is connected with participation of deeper traps in the polarization process, and shift of the maximums is the result of change of the character of interphase boundary layer parameters after irradiation effect.
Analysis of dependences tanδ before and after γ-irradiations (Figure 2, Figure 3) shows that effect of γ-irradi- ation on the composites PE + x vol% TlGaSe2 reduces to significant change of dielectric losses. It is seen from tanδ dependences that at lower doses (50 kGy) of radiation, the observed decrease of tanδ is connected with the cross-linking processes that occur both in polymer matrix and in interphase layer of the polymer with TlGaSe2 filler. In the samples radiated at doses of 100 kGy, the observed relative stabilization of the value of tanδ is the result of balancing of cross linking and destruction processes. In the samples irradiated with dose of 150 kGy the changes of tanδ are observed. Apparently, this is connected with prevalence of destruction processes.
Thus, changes in the dielectric characteristics of the composites based on polyethylene with TlGaSe2 filler after γ-radiation is the result occurring in the electron-ion and polarization processes in the polymer matrix and the interface of the polymer with the TlGaSe2 filler. These processes manifest themselves in increasing the concentration of low-energy surface states with increasing the filler content and the appearance of deep traps after γ-irradiation.
4. Conclusion
In this paper, we studied the effect of different doses of γ-irradiation on composites PE + x vol% TlGaSe2. The temperature dependence of the dielectric constant and dielectric loss of composites revealed that by changing the temperature and fillers content and the radiation dose could be obtained composite material with desired dielectric parameters
Cite this paper
E. M.Gojayev,A. G.Hasanova, (2015) The Effect of γ-Radiations on Dielectric Properties of Composite Materials PE + x vol% TlGaSe2. Open Journal of Inorganic Non-metallic Materials,05,51-55. doi: 10.4236/ojinm.2015.54006
References
- 1. Yabmekov, M.Y. and Gelman, A.B. (2011) Electret Properties of Polypropylene-Based Composite Materials. International Scientific Mechanical Conference, 14-17 November 2011, 78-80. (In Russian)
- 2. Gojayev, E.M., Maherramov, A.M., Zeynalovsh, A., Osmanova, S.S. and Allahyarov, E.A. (2010) Coronoelectrets Based on High Density Polyethylene Composites with Semiconductor Filler TlGaSe2. Electronnaya Obrabotka Materialov, 46, 91-96. (In Russian)
- 3. Mamedov, G.A., Gojayev, E.M., Magerramov, A.M. and Zeynalovsh, A. (2011) Investigation the Microrelyef of Surface by Atomic Force Microscop and Dielectric Properties of the Composition High Density Polyethylene with Additives TlGaSe2. Electronnaya Obrabotka Materialov, 47, 94-98.
- 4. Radwan, R.M., Aly, S.S. and El Aal, S.A. (2008) Preparation, Characterization and Effect of Electron Beam Irradiation on the Structure and Dielectric Properties of BatiO3/PVDF Composite Films. Journal of Radiation Research and Applied Sciences, 11, 9-16.
- 5. Shevchenko, V.G. (2010) Fundamentals of Physics of Polymer Composite Materials: Textbook/M. Moscow State University of M.V. Lomonosov, Moscow, 99. (In Russian)
- 6. Maharramov, A.M., Quliyev, M.M. and Ismayilova, R.S. (2012) The Effect of Gamma-Irradiation on the Dielectric Behavior in Polypropylene—CdS/ZnS Composites Section II. Radiation Physics of Condensed Matter International Conference on Nuclear Science and Its Application, Samarkand, 25-28 September 2012, 192-194.
- 7. Gafurov, U. and Fazilova, Z. (2007) Influence of Gamma-Irradiation on Dielectric Properties of Recycled Polyethylene Composites. MRS Proceedings, 1038, 61-69.
- 8. Maharramov, A.M. (2001) Structural and Radiation Modification of Electret and Piezoelectret Properties of Polymer Composites. Baku, Elm, 327 p.




